汽车行业分享丨 SimSolid 在钢结构设计中的应用及体会(下)
*本文来自汽车行业用户范会超投稿
1、工程背景
近几年,在机械产品设计领域,SimSolid® 作为一款无网格分析软件,正发挥着日益重要的作用,尤其在钢结构设计过程中展现出独特优势。传统钢结构设计流程复杂,需投入大量时间进行有限元模型构建与分析,而 SimSolid 的出现极大地简化了这一过程。
在上一期文章《SimSolid 在钢结构设计中的应用及体会》和大家分享了 SimSolid 在焊接钢节点设计分析中的应用及体会,本文重点分享 SimSolid 在螺栓连接钢节点设计中的应用价值,因为螺栓连接通过可拆卸的机械咬合实现构件间的力传递,是与焊接钢结构同等重要的关键技术。
2、软件简介
Aitair SimSolid 是一款专门为快速发展的设计流程开发的结构分析软件。它消除了几何体简化和网格化过程,可高效实现大型复杂装配体的力学分析,包括静力学分析、模态分析、热分析、结构热耦合、非线性静力学分析、疲劳分析、线性动力学等多种类型。对于螺栓连接,SimSolid 利用先进接触算法,准确模拟接触区域的压力分布、摩擦行为及可能的相对滑移,计算螺栓在轴向、剪切、弯曲等载荷下的应力、应变分布,为工程师提供全面的评价指标。
3、主要内容
3.1 钢节点连接
钢节点设计的性能指标中,节点强度直接关乎整个钢结构的稳定性与安全性。如下图 1 所示的螺栓连接和焊接,是钢结构设计中最常见两种节点连接方式,下面针对螺栓连接,开展强度分析方法的介绍,同时与依据钢结构设计规范的计算结果对比,对仿真结果进行合理性说明及讨论。

图 1.红色圈示-螺栓连接;绿色圈示-焊接
3.2 螺栓连接节点
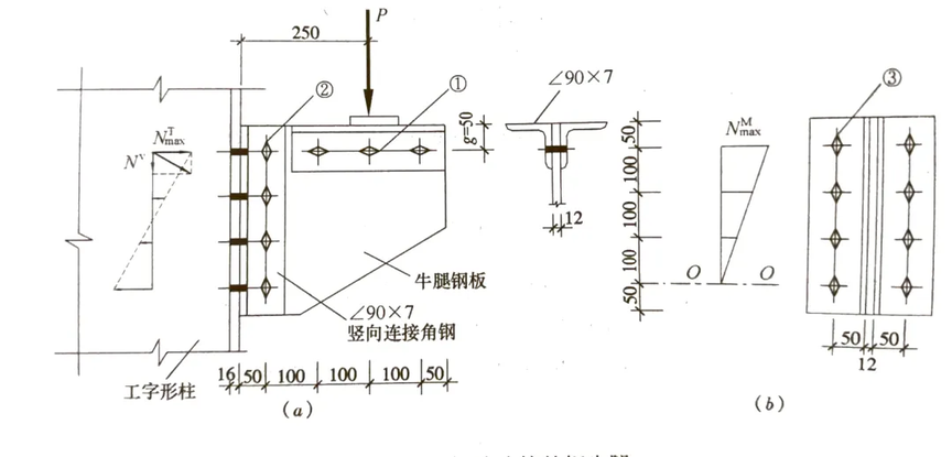
螺栓连接设计包括 3 个关键参数,即螺栓的规格、个数及分布。SimSolid 运用先进的数值算法,快速评估螺栓强度是否满足设计要求,帮助工程师发现钢节点设计中的潜在失效位置。下面以典型的钢牛腿螺接节点,说明 SimSolid 在螺栓强度分析中的应用,计算参数及三维结构如下图 2 所示。


图 2 设计参数及三维图
► 3.2.1 模型设置
①螺栓连接:将几何模型导入软件后,自动识别出螺栓,包括螺母、垫片,如图 3.1 所示。同时自动建立螺栓与零部件的接触关系,如图 3 所示,其中图 3.1 表示螺栓组零件,图 3.2 表示了螺栓与钢板的接触关系,图 3.3 详细展示了单个螺栓的接触状态,表 1 描述了具体的接触设置。

图 3.1 螺栓组零件

图 3.2 螺栓与钢板的连接

图 3.3 单螺栓详细装配图
表 1 螺栓接触设置
②边界条件设置:在约束模块,选择 immovable support 约束类型,定义左侧钢柱下端面为固定约束。在载荷模块,选择 force/displacement 工具,定义集中作用载荷,垂直向下施加 140kN,如图 4 所示。这里需要注意,在平面指定位置施加集中载荷的技巧,首先在装配模块定义加载区域 spot。


图 4 载荷定义
► 3.2.2 求解设置
本案例考虑金属材料非线性,并且结构具有一定的薄板特性,因此求解设置如下图 5 所示:


图 5 求解及结构设置
► 3.3.3 结果讨论
①理论结果:钢管材料 Q235,屈服强度 235MPa,设计强度 215MPa,螺栓规格 M20-5.6 级。根据《钢结构原理与设计》计算单个螺栓的承载能力,计算过程如下:

上式中:d 为螺栓直径,f 为螺栓设计强度 190MPa,Ae 为螺栓有效截面积。各参数的取值及计算可查阅文末参考文献《钢结构原理与设计》,这里不在赘述,经计算螺栓最大拉力 37.5KN,最大剪力 17.5KN,选型满足强度要求。
②SimSolid 分析结果:强度结果如下图 6 所示,通过应力云图可知,钢板的最大应力为 528MPa,超出材料的设计强度,存在失效风险。由于参考文献中,假设钢板满足强度设计,未开展强度校核,仅校核了螺栓强度。因此,通过软件分析,可以全面考察结构设计,发现结构潜在风险。

图 6 结构应力云图
对于螺栓的强度分析,SimSolid 提供了专门的后处理工具,可以准确的评估螺栓的失效风险。如下图 9 所示,可以单独查看螺栓的应力结果。由图可知应力最大的螺栓位于立柱最上端,这和理论分析的最大受力螺栓的位置一致,由图可知最大应力数值为 464MPa,小于螺栓的屈服强度 500MPa。这里需要说明,由于理论公式对接触应力及截面剪应力做了平均简化处理,属于半经验公式,因此螺栓的设计强度定义了较保守值 190MPa。而仿真分析模型建立了螺栓与周边件的真实接触关系,更能反应螺栓的局部应力集中现象,同时结合前期的项目经验,仿真中的螺栓可看成一般零件处理,用材质的屈服强度作为强度失效的判断指标。因此,本案例中,经仿真分析的螺栓应力 464MPa,小于螺栓材料的屈服强度 500MPa,满足一般强度要求。

图 9 螺栓应力云图
此外,软件提供了详细的螺栓受力列表,可以充分了解每个螺栓的具体受力情况,为设计提供参考,如下表 2 所示。此表中列举了每个螺栓的受力,每列数据可按照大小排序,快速检索到受力最大的螺栓。本案例中,螺栓的轴向力最大为 31.4KN,螺栓的剪切力最大为 34.3KN,均小于 3.3.3 章节钢结构设计手册中计算的理论结果。

表 2 螺栓受力结果统计
4、总结及体会
总结:本文通过典型的钢牛腿螺接节点分析,展现了 SimSolid 在螺栓设计中的强大功能和工程价值,建模用时 5 分钟,求解用时 10 分钟,螺栓内力列表结果显示最大受拉螺栓的轴力是 31.4 N,最大受剪螺栓的剪力是 34.3N,根据钢结构设计原理,螺栓的设计安全。SimSolid 不仅可以准确模拟结构本身的应力分布情况,并给出详细的应力云图数据,而且可详细分析每个螺栓的受力情况。工程师依据这些分析结果,快速找到产品的改进方向,通过调整螺栓规格、个数及分布等方式提高节点强度。
体会:SimSolid 在机械结构项目中的应用越来越广泛,如何建立传统设计标准与高效计算方法的对应关系,是当前面临的重要问题。一方面需要设计工程师对 SimSolid 的成功案例进行总结归纳和推广,另一方面也需要通过应用 SimSolid 软件针对各类关键节点连接形式,如焊接、螺接、铆接等,开展全面的研究对比,建立相应的评价指标和标准,并在项目中不断修正和完善,最大化软件的工程价值。
参考文献
夏志斌 姚谏 编著 钢结构原理与设计(第二版)中国建筑工业共出版社
SimSolid 帮助文档
申请免费试用
如您对 Altair 软件及解决方案感兴趣
欢迎关注 Altair 公众号,申请免费试用
Altair 是计算智能领域的全球指引者之一,在仿真、高性能计算 (HPC) 和人工智能等领域提供软件和云解决方案,服务于 16000 多家全球企业,应用行业包括汽车、消费电子、航空航天、能源、机车车辆、造船、国防军工、金融、零售等。
近期,Altair 被全球工业软件指引者西门子收购,成为西门子数字化工业软件(Siemens Digital Industries Software)旗下成员,进一步巩固西门子在仿真和工业人工智能领域的全球指引者地位,其技术正与西门子 Xcelerator 解决方案进行深度整合。
更多内容欢迎关注 AltairChina 公众号
评论